Search waiting|松定プレシジョン

検索中...

用途・事例

(掲載:, 更新:, M.P.

光電子増倍管(Photomultiplier Tube:PMT)とは?

光電子増倍管(PMT)は、数ある光センサの中でも最も高感度なもののひとつで、微弱光の検出に使われます。フォトマルやPMTと呼ばれることもあります。光電子増倍管は、入射窓から入った光(光子)が光電面(カソード)に当たって光電子が発生し、その光電子がカソードと電子増倍部(ダイノード)と陽極(アノード)にかけられた高電圧に引き寄せられ、真空状態の内部を加速・増倍されながら進みます。光電子増倍管の多くがダイノードを9段から12段程度持ち10の5乗から10の8乗程度増幅され、最終的に電流として出力されます。きわめて高い電流増幅率を実現できるのが光電子増倍管の特徴です。
光電子増倍管には、先端に受光部のあるヘッドオン型と、側面に受光部のあるサイドオン型があります。受光面の大きさや波長感度の異なる光電面など数多くの種類があります。

光電子増倍管(Photomultiplier Tube:PMT)のイメージ図
光電子増倍管(PMT)のイメージ図

光電子増倍管の用途

光電子増倍管は電子顕微鏡の二次電子検出器に用いられます。試料から発生した二次電子を検出器のシンチレータで光に変換し、PMTで信号として取得します。二次電子の量が電流量になり画像の濃淡となります。
他にも、硫黄酸化物や窒素酸化物に紫外線を照射し、励起状態の酸化物が発する微弱な光をとらえてガス濃度を測定するNOxメータやSOxメータにも使用されています。また、血液検査では、試薬の反応により発生する微弱な発光を分析する蛍光分析にも用いられています。ニュートリノを検出するカミオカンデは、ノーベル賞を受賞したこともあり、非常に有名になりました。
光電子増倍管の前にシンチレーターという放射線を光に変換する物質を配置すれば、放射線検出にも利用できサーベイメータと呼ばれています。光電子増倍管を用いた放射線検出装置は、ガンマ線測定器やゲートモニタ、モニタリングポストなどに使用されています。以前は、CTスキャナにも使われていましたが、最近は半導体センサが使われています。

光電子増倍管(PMT)| 松定プレシジョン ヘッドオンタイプ、サイドオンタイプそれぞれで外径が異なる光電子増倍管で、高速応答で優れたリニアリティを誇る様々なモデルをラインナップしております。 松定プレシジョンのPMT一覧

光電子増倍管用の電源に求められる性能

きわめて高い電流増幅率を実現できるのが光電子増倍管の特徴ですが、これは同時に「電圧を印加する際に生じる電気的ノイズや電圧のブレなども同じように増倍される」ということにもなります。せっかく光電子を増倍しても同様に増倍されたノイズ類に埋もれてしまっては検出が困難になってしまい、意味がありません。
光電子増倍管の動作電圧は、多くが500Vから2000V程度です。これは、印加電圧のごくわずかな変動も光電子増倍管の10の5乗から10の8乗に増倍されて出力として現れてしまうということも意味します。そしてこのため正確な微弱光検出を行うためには、光電子増倍管そのものの性能もさることながら、その真価を十分に発揮させることができる「低ノイズ」で「高安定」の高圧電源が不可欠なのです。

松定プレシジョンの光電子増倍管(PMT)用高圧電源

松定プレシジョンの高圧電源は、1000モデルを超える多彩なラインナップを取り揃えています。特に「低ノイズ」「高安定」を徹底的にブラッシュアップしてフォトマルに最適な高圧電源として完成されたのが「フォトマル専用高圧電源」です。
「専用高圧電源」といっても様々なバリエーションがあり、ベンチトップタイプや機器組込タイプ、プリント回路基板実装用の超小型タイプ、高圧電源・ブリーダ回路・ソケットが一体になったタイプをラインナップしています。お客様の要求に応じて最適な電源をこれらの豊富なラインナップの中からお選びいただけます。

ソケット型、基板実装型、シャーシ取付型、ベンチトップ型のPMT用電源の一例をご紹介します。

電源・ブリーダ回路・ソケット一体型

一体型だから適合PMTを差し込むだけでOK!
フォトマル駆動用の高圧電源と電圧分割回路を搭載したソケットアセンブリ型。
適合するフォトマルを差し込み、±15~±24Vdcの電圧を供給するだけでフォトマルの高安定・低ノイズ動作が可能です。

プリント回路基板実装型(オンボード)

プリント回路基板に実装して使用する光電子増倍管(PMT)用の高圧電源です。小型で低ノイズな為、ブリーダー回路や読み出し回路と共に実装して使用されます。分析器や検査機器のディテクタとして光電子増倍管を使用する場合によく用いられます。
松定プレシジョンは、20ppm/℃ typicalという極めて優れた温度係数を達成しているモデルもあります。

シャーシ取付型(モジュール)

シャーシに固定しケーブルで接続するタイプの光電子増倍管(PMT)用の高圧電源です。印加電圧の高い光電子増倍管や電流量の多いPMTを使用する場合や超高性能を求められる用途によく用いられます。
装置の中に電源を組み込むことになるため、放熱の設計はもちろん電源の温度係数も選定の際に重要なポイントとなっています。
松定プレシジョンは、超低リップルで高安定を達成しているモデルもあります。

ベンチトップタイプ/ラックマウントタイプ

リップルわずか5mv(2.5ppm、2kV出力タイプ)という超低リップルを達成したモデルなど、驚異の高性能を実現!
リモート機能や各種インターフェースを装備(一部オプション)することでさらに使い方の幅が広がります。

読み出し回路(電流-電圧変換回路)

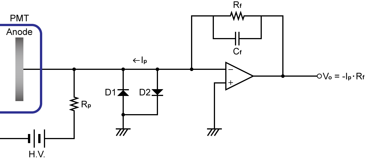
読み出し回路は、光電子増倍管から出力される微小電流をオペアンプ(演算増幅器)で電圧に変換する回路です。英語では、トランスインピーダンスアンプ(TIA)と呼ばれています。光電子増倍管に入射した光は、電子になり増幅され電流信号となって出力されます。この電流は微小な電流なので、扱いやすい電圧信号に変換します。
オペアンプによる電流-電圧変換の回路例を以下に示します。光電子増倍管の出力とオペアンプの間には、保護回路を設けています。

読み出し回路|松定プレシジョン
Ip:出力電流(陽極電流)Rf:帰還抵抗Cf:帰還コンデンサVo:オペアンプ出力Rp:保護抵抗D1, D2:保護ダイオードH.V.:高圧電源

光電子増倍管(PMT)の用途例

2光子励起顕微鏡

2光子励起顕微鏡は、レーザー顕微鏡の一種です。

ATPアナライザ

ATPアナライザは、ルミテスタともよばれ、菌や細胞の量を測定する装置です。食品製造工場や調理場、医療機関での清浄度を測定するために用いられます。

ATPとはアデノシン三リン酸のことで、すべての生物の細胞に含まれている物質です。その量を測定することにより菌や細胞の量がわかります。ATPを酵素と反応させ、その発光量からATPの量を測定します。この発光量を測定するために光電子増倍管が使用されています。

CTスキャナ

CTスキャナは、X線による物質の内部を立体的に可視化するコンピュータ断層撮影装置のことです。医療用のヘリカルCTでは、X線の透過量を測定するために光電子増倍管が使われていました。最近の医療用のCTスキャナは、マルチスライスCTと呼ばれ、半導体64列や128列などの半導体検出器が使われています。

NOxメータ

NOxとは、窒素酸化物の総称です。窒素酸化物とは、NO(一酸化窒素)、NO2(二酸化窒素)、N2O(亜酸化窒素)、N2O3(三酸化二窒素)のことです。NOx計やNOxアナライザには、化学発光方式と吸光光度法の種類の測定方法があります。窒素酸化物は、光化学スモッグの原因となるため、NOx分析計で濃度を測定します。

SOxメータ

SOxとは、硫黄酸化物の総称です。硫黄酸化物とは、SO(一酸化硫黄)、SO2(二酸化硫黄)、SO3(三酸化硫黄)のことです。排ガス分析での指標のひとつになっています。

オージェ電子分光法(AES)

Auger Electron Spectroscopy(オージェ電子分光法)はAESとも呼ばれます。AESは、試料に電子線を照射し発生したオージェ電子を分光分析することにより、物質表面の組成を調べる方法です。オージェ電子分光装置の一部に光電子増倍管が使われています。

ガンマ線測定

ガンマ線測定とは、放射性同位体(ラジオアイソトープ、放射性物質)から発生するガンマ線を測定することです。

電離箱式の測定器や、GM管式の測定器、シンチレーション式の測定器、半導体式の測定器などがあります。ガンマ線のスペクトル(エネルギー分布)を測定する場合、高純度のゲルマニウム検出器か、NaIのシンチレーションサーベイメータが用いられます。

蛍光光度計

蛍光光度計とは、試料に光を照射し、試料から発生する蛍光を測定する分光光度計の一種です。光の検出器として光電子増倍管が使われています。

ゲートモニタ

ゲートモニタとは、施設への入退室を監視するために設けられている装置です。主に、放射性物質の持ち込みや持ち出しを監視するために設けられています。放射性物質を検知するための検出器として光電子増倍管が使われています。

サーベイメータ

サーベイメータとは、放射線の測定器のことです。放射線の漏洩や、放射能汚染、環境放射線の測定などに使用される携帯型の測定器です。

サルファーメータ

サルファーメータとは、硫黄の濃度を測定する計測器です。酸性雨の原因となる石油に含まれる硫黄を測定する蛍光X線硫黄分析装置や、クロムメッキ液中の硫黄を測定する装置がサルファメータとして販売されています。

パーティクルカウンタ

パーティクルカウンタとは、クリーンルームなどのきれいな空気中のパーティクル(粒子)を測定する計測器です。粒子径毎に数量をカウントし、クリーン度を計測します。
詳しくは、パーティクルカウンター(微粒子計測器)入門をご参照下さい。

ニュートリノ

ニュートリノとは素粒子の一種です。どのような物質であっても通り抜けますが、ごく僅かに水の原子核と反応し発光します。スーパーカミオカンデでは、このニュートリノを測定するために光電子増倍管が用いられています。

ピンホール検査

ピンホール検査とは、目に見えないような小さな穴(ピンホール)を見つける検査です。ピンホール検査には、いくつかの方法があり、対象物に光を当ててピンホールから漏れた光を検出する方法の検査機に光電子増倍管が使われています。

フローサイトメータ(フローサイトメトリー)

フローサイトメータとは、細胞を一列に並べてレーザー光を照射し、観察や測定を行う装置です。細胞に照射されたレーザー光の散乱光や蛍光を測定するために光電子増倍管が使われています。

モニタリングポスト

モニタリングポストとは、環境放射線の濃度を測定するために設けられた設備です。

リアルタイムPCR

リアルタイムPCRとは、DNAを複製し増幅する工程と検出を同時に行う装置です。この検出の部分に光電子増倍管が使われています。

レーザー顕微鏡

レーザー顕微鏡は、レーザーを試料に照射し、その反射光を測定して画像にします。この反射光の測定に光電子増倍管が使われています。

血液検査

血液や尿の検査は、生化学分析(biochemical analysis)とよばれています。血液に特定の成分に反応する試薬を入れその色から濃度を測定する比色分析法という方法で検査が行われています。この比色を測定する部分に光電子増倍管が使われています。

原子吸光分析(AAS)

AASとは、Atomic Absorption Spectrometry (原子吸光分析法)のことです。この分析装置の検出器に光電子増倍管が使われています。

紫外-可視光分光光度計(UV-Vis)

UV-VISとは、「紫外・可視分光光度計」のことです。紫外線から可視光の波長までの光を順番に試料に照射し、その光の吸光度や透過率を測定します。光の検出器にはフォトダイオードや光電子増倍管が使われています。

ダストモニタ

ダストモニタや粉塵計は、排ガスや俳煙など大気よりも汚れた空気の粒子を測定する測定器です。いろいろな測定方法がありますが、レーザー光を用いた方法の検出器に光電子増倍管が使われています。

二次電子検出器

二次電子検出器は、走査電子顕微鏡に用いられている検出器の一種です。電子ビームの照射により試料の表面から発生した二次電子を検出するために用いられます。検出器の先端には、二次電子を効率的に収集するためのコレクタ電極が設けられています。また光電子増倍管では、電子をそのまま測定受光出来ないので、先端にシンチレータが設けられています。

分光分析

分光分析とは、試料に光を当て、放射する光や吸収する光を分析して成分を特定する分析方法です。「紫外・可視分光光度計(UV-VIS)」などが代表的な分光分析装置です。透過光や反射光の測定には光電子増倍管やフォトダイオードなどが使われています。

放射線モニタ

放射線モニタは、大気中の放射線をモニタリングすることやその装置です。
モニタリングポストに環境放射線の検出器が内蔵されています。放射線の検出器に光電子増倍管が使われています。

放射線厚さ計

放射線による厚さの測定に光電子増倍管が使われています。物理的に測定の難しい薄いシート状のものに放射線を照射し、透過した放射線の量を光電子増倍管で計測し厚さに換算します。

  • in vivo イメージング
  • LiDAR(ライダー)
  • PET(Positron Emission Tomography)
  • TOFカウンタ
  • X線天文学
  • X線厚さ計
  • エリアモニタ
  • ガスクロマトグラフィー
  • カロリメータ
  • ガンマカメラ
  • コンピュータX線撮影(CR)
  • チェレンコフ検出器
  • ポジトロンCT
  • ラマン分光
  • レーザレーダ
  • 液体クロマトグラフィー
  • 液面計
  • 化学発光免疫測定
  • 共焦点レーザ走査顕微鏡
  • 蛍光イムノアッセイ
  • 蛍光寿命測定
  • 蛍光相関分光法
  • 光刺激ルミネッセンス線量計
  • 抗原・抗体検査(イムノアッセイ)
  • 走査電子顕微鏡(SEM)
  • 発光分光分析
  • 半導体ウエハ検査
  • 分光蛍光光度計

光電子増倍管(PMT)の用語

CW回路

CW回路とは、コッククロフト・ウォルトン回路のことです。高電圧を発生させるために用いられる回路で、コンデンサとダイオードをトラス状に接続した回路となっています。

詳しくは、高圧電源をご参照下さい。

コッククロフト・ウォルトン回路
コッククロフト・ウォルトン回路
PHA

PHAとは、パルスハイトアナライザ(Pulse Height Analyzer)の略称で、日本語では、波高分析器と呼ばれています。

これは、サーベイメータなどの放射線検出器で受けた放射線のエネルギーを分析する回路です。放射線のエネルギーに応じてシンチレータの発光量が変化し、光電子増倍管の出力パルスの高さが連動します。PHAでパルスの高さを分析すれば放射線のエネルギーがわかります。

PMT

PMTとは、Photomultiplier Tube(光電子増倍管)の略称です。

S/N比(信号対雑音比)

S/N比とは、信号(Signal)と雑音(Noise)の比率のことです。ノイズ成分には、暗電流が含まれています。

カップリングコンデンサ

カップリングコンデンサは、光電子増倍管の出力信号回路の一部です。このコンデンサは、信号成分のみを通過させ直流成分を遮断するために設けます。

ゲイン

ゲインとは、増幅率を表す言葉です。光電子増倍管では、100,000(10の5乗)から100,000,000(10の8乗)程度の増幅率があります。

ゲート回路

ゲート回路とは、光電子増倍管のオン/オフ回路のことです。光電子増倍管は、微弱な光を測定するために使われますが、過大な光が入射した場合、回路が飽和するなどし、特性に悪影響を及ぼしてしまう可能性があります。その為、ゲート回路を設けて、不必要な出力をオフするようにします。

サイドオン

サイドオンとは、光電子増倍管の形状の一種で、円柱状の側面に入射窓のあるタイプを指します。

シンチレータ

シンチレータとは、放射線などを受けたときに発光する特性を持った物質のことです。無機/有機、固体/液体のシンチレータがあります。

放射線の検出には、NaI(Tl)やCsI(Tl)などのアルカリハライド結晶やBGOなどの酸化物結晶などの無機シンチレータを用います。サーベイメータ(放射線検出器)では、このシンチレータと光電子増倍管を組み合わせたものが多く用いられています。

ステム

ステムとは、光電子増倍管の底面のことです。また電極ピン(端子)のことをステムピンと呼びます。光電子増倍管がガラスバルブとステムで作られているので、ステムと呼ばれています。

ソケット

ソケットとは、光電子増倍管のステムピンを差し込んで接続する丸形コネクタです。

ソケット電源

ソケット電源とは、光電子増倍管をマウントするソケット部分に電源を組み込んだ製品です。松定プレシジョンでは、高圧電源、分圧回路、デバイダ回路などを組み込んだソケット電源を販売しています。

ダイノード

ダイノードとは、光電子増倍管の電子増倍部のことです。一般的に、10段程度のダイノードの光電子増倍管が多く使われています。

デカップリングコンデンサ

デカップリングコンデンサは、光電子増倍管の出力信号回路の一部です。このコンデンサは、電源ラインのノイズを除去するために用います。

デバイダ(電圧分割)

デバイダとは"分割する"という意味があります。光電子増倍管では、ダイノード部に多段の電極があり、それぞれに異なる電圧が供給されています。この異なる電圧を供給するために電圧を分割する回路部分がデバイダと呼ばれています。日本では「デバイダ回路」、英語では「Voltage Divider」と呼ばれています。

バイアルカリ

バイアルカリとは、光電子増倍管の光電面の一種で可視光域に感度があります。分光感度が400~420nm程度で、ヨウ化ナトリウム(NaI)シンチレータの発光波長415nmとの相性がよいことから放射線検出器に用いられます。

ハウジング

ハウジングとは、筐体やカバー、容器などのことです。光電子増倍管のハウジングは、外来光を遮蔽、固定穴、磁気シールド、回路のパッケージングの機能を兼ねています。

ヒステリシス

ヒステリシスとは、感度の直線性(リニアリティ)が悪い状態のことです。ヒステリシスのある光電子増倍管では、同じ光の入力量でも、増加時と減少時で出力値が異なります。

フォトマル(ホトマル)

フォトマルやホトマルとは、光電子増倍管(フォトマルチプライヤーチューブ)の略称です。

フォトンカウンティング

フォトンカウンティングとは、フォトン(光子)の数を数えることです。フォトンカウンティングは、光電子増倍管の用途の一つです。

ブリーダ抵抗

ブリーダ抵抗とは、負荷と並列に入れられた抵抗で、無負荷時でも電流を少し流して出力電圧を安定させる為に使われます。また、光電子増倍管の電源回路では、分割抵抗をブリーダ抵抗やブリーダーネットワークと呼んでいます。

光電子増倍管の回路
光電子増倍管の回路
ヘッドオン

ヘッドオンとは、光電子増倍管の形状の一種で、円柱状の先端に入射窓のあるタイプを指します。

リニアリティ(直線性)

リニアリティ(直線性)とは、光電子増倍管に入射する光の量と、光電子増倍管で増幅された信号の相関関係がどれだけ直線に近いか(ひずみが少ないか)を表す性能の指標です。

ルーメン

ルーメンは、光源から発生する光の明るさの量(光束)を表す単位(lm)として使われます。光電子増倍管では、入射光束にこのルーメンを使って特性パラメータの測定を行っています。一般的に照明の明るさを表す単位はルクス(lx)を使います。この単位は放射照度(照度)を表し、照明器具の明るさを表す単位として使われています。

暗電流

暗電流とは、光電子増倍管に入射する光が無い状態でも流れている電流のことです。暗電流の原因は、光電面やダイノードからの熱電子放出や電極間の漏洩電流、電界放出などです。

光電効果

光電効果とは、物質に光が当たった時に電子が放出される現象のことです。

光電面(陰極)

光電面(陰極)とは、光電子増倍管の入射窓の内側の面のことです。光電面では、光電効果で光が入射すると電子が発生します。発生した電子は、集束電極に引っ張られてダイノードで増幅されます。光電面には、アルカリ金属が使われ、バイアルカリ光電面やマルチアルカリ光電面と呼ばれる光電面が使用されています。

時間特性

時間特性とは、光電子増倍管の特徴を表す指標の一つです。光電子増倍管は、非常に高速な時間特性を持っています。時間特性には、上昇時間、下降時間、パルス幅、電子走行時間などがあります。

磁気シールド

磁気シールドとは、磁場の影響を受けないようにするための保護(シールド)です。光電子増倍管の内部は真空で、電子が電極間を飛んで移動します。電子は磁場の影響があると曲がってしまいます。フィールドワークなどで光電子増倍管を使う場合には、磁気シールドを行い、地磁気の影響による測定値の誤差が生じないようにする必要があります。

前置増幅器(プリアンプ)

前置増幅器(プリアンプ)とは、光電子増倍管からの電流出力信号を電圧信号などに変換する回路のことです。

増倍部

増倍部=電子増倍部(ダイノード

入射窓

入射窓とは、光電子増倍管の光が入るガラス部分のことです。その内側には光電面と呼ばれる光を電子に変換する機能を持つ膜があります。

微弱光

微弱光とは、ごくわずかな光の量のことです。光電子増倍管は、高感度の光検出器として微弱光の計測を得意としています。

分光感度

分光感度とは、光の波長の違いによる感度の違いを表したものです。光電面の違いにより分光感度が異なります。

保護回路

保護回路とは、異常時に回路を保護するために設けられている回路のことです。光電子増倍管では、高電圧が用いられているので、読み出し回路などでは、過電圧や過電流への保護が必要です。

陽極(アノード)

陽極(アノード)とは、光電子増倍管のダイノード(電子増倍部)で増幅された電流を読み出す電極のことです。

陽極感度

陽極感度とは、光電子増倍管の陽極(出力側)での感度を表した光電子増倍管の性能を表す指標の一つです。光を電子に変換する光電面(陰極)での感度を表す指標は、陰極感度と呼びます。